SNH-04起重机和机械输送限位开关


|
特点:
|
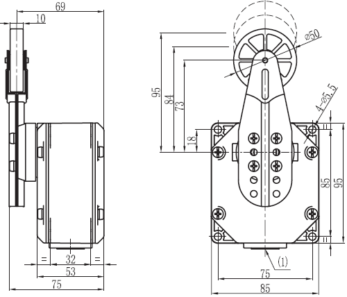
规格: 环境空气湿度:工作-25~70℃,储存:-40~70℃ 耐振动:9gn(10-500hz)符合IEC68-2-6 耐冲击性:68gn符合IEC68-2-27 防触电保护:I类符合IEC536 和NFC20-030 防护等级:IP54 机械寿命:200万次 最小动作力: 开关触发:0.45N.m(SNH-07/17/04),0.60N.m(SNH-27), 1N.m(SNH-37) 强制开离工作:0.75N.m(SNH-07/17/04),0.70 N.m (SNH-27),1N.m(SNH-37) 最大触发速度:1.5m/s 额定工作电压/电流:AC-15:A600 ( Ue=240v,Ie=3A) DC-13:Q300 ( Ue=250V,Ie=0.27A) 符合IEC947-5-1附录A.EN60947-5-1 额定绝缘电压:Ui=600V污染等级3,符合IEC947-1和VDE0110. Ui=600V符合UL508,CSA C22-2 n 14 额定冲击耐受电压:Uimp=6kv 符合IEC947-1,IEC664 强制开离功能:常闭触点带强制开离功能符合IEC947-5-1 section 3,EN60947-5-1 短路保护:10A保险丝 螺纹孔:1/2NPT,M20X1.5,PG13.5 接线方式:螺丝夹紧接线端子,电线规格最小:1*0.5平方毫米,最大2*2.5平方毫米 |
上海:上海市黄浦区北京东路668号科技京城西楼11楼I室
电话:021-53082745 传真:021-53082746 邮件:suns-sh@suns-cn.com
