限速器限位开关(手动复位) SND4172-SP


|
特点:
|
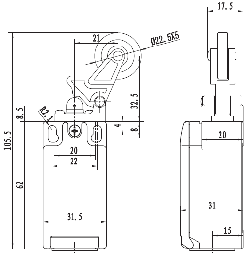
规格: 操作速度: 0.05mm-2m/sec 操作频率: 机械:120ops/min 电气: 30ops/min 绝缘电阻: >100MΩ @ 500V DC 接点电阻: <25mΩ 额定电流/电压: 10A /600VAC AC15 A600/DC13 Q300 寿命: 机械 10,000,000次 环境温度: -20 to +70°C (-4 to 158oF) 动作力:6N(+/-2N) 触发行程:<0.5mm 触点间距: 2X2mm 防护等级: IP67 |
上海:上海市黄浦区北京东路668号科技京城西楼11楼I室
电话:021-53082745 传真:021-53082746 邮件:suns-sh@suns-cn.com
