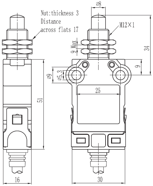
SM32N-21系列安全限位开关(纤维增强塑料外壳,IP67,25mm安装)


|
特点:
|
规格: 操作速度: 0.05mm-2m/sec 操作频率: 机械:120ops/min 电气: 30ops/min 绝缘电阻:: >100MΩ @ 500V DC 额定封闭发热电流: 10A (EN60947-5-1) 电气等级: UL/cUL Listed(E216958) for AC15 A300/ DC13 Q300 耐压值: 同级端子间1000VAC 50/60Hz 1分钟 子对地或对无载金属间2500VAC 50/60Hz 1分钟 寿命: 机械 10,000,000次, 电气500,000次 环境温度: -25~80℃(-13~176 oF) 不结冰 电缆: SM32(5芯,0.75平方毫米 7芯,0.5平方毫米 9芯,0.34平方毫米SM32N(4芯,0.5平方毫米) 保护等级: IP67 |
上海:上海市黄浦区北京东路668号科技京城西楼11楼I室
电话:021-53082745 传真:021-53082746 邮件:suns-sh@suns-cn.com
