小型高灵敏限位开关SN1112-H


|
特点:
|
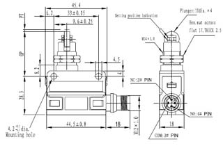
规格: 操作速度: 0.02mm-0.5m/sec 操作频率: 120ops/min 绝缘电阻: >100mΩ@500VDC 接点电阻: <25mΩ 额定电流/电压: 标准负载型(银触点)5A/250VAC or 5A/30VDC 低电流型 (镀金触点) 0.1A/250VAC or 0.1A/30VDC 耐压值: 同级端子间1000VAC 50/60Hz 1分钟 端子对地或对无载金属间2500VAC 50/60Hz 1分钟 寿命: 机械 10,000,000次, 电气500,000次 环境温度: -30~+80°C (-22~+176°F) 湿度: <95%RH 防护等级: IP67 |
上海:上海市黄浦区北京东路668号科技京城西楼11楼I室
电话:021-53082745 传真:021-53082746 邮件:suns-sh@suns-cn.com
