安全限位开关SN6218 (金属壳体)


|
特点:
|
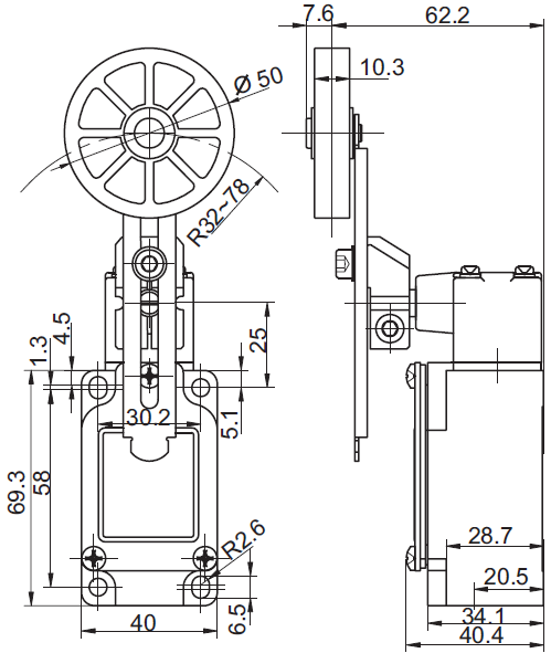
规格: 操作速度: 0.05mm-2m/sec 操作频率: 机械:120ops/min 电气: 30ops/min 绝缘电阻: >100MΩ @ 500V DC 接点电阻: <25mΩ(初值) 额定封闭发热电流: 10A (EN60947-5-1) 电气等级: UL/cUL Listed(E216958) for AC15 A600/ DC13 Q300 耐压值: 同级端子间1000VAC 50/60Hz 1分钟 端子对地或对无载金属间2500VAC 50/60Hz 1分钟 寿命: 机械10,000,000次, 电气 500,000次 环境温度: -25 to +80°C (-13 to 176oF) 湿度: <95%RH 防护等级: IP67 |
上海:上海市黄浦区北京东路668号科技京城西楼11楼I室
电话:021-53082745 传真:021-53082746 邮件:suns-sh@suns-cn.com
