AC系列门开关 VB-16G-AC2(SS)

特点:

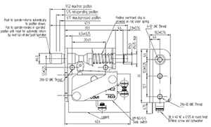
规格:

上海:上海市黄浦区北京东路668号科技京城西楼11楼I室
电话:021-53082745 传真:021-53082746 邮件:suns-sh@suns-cn.com