微动开关 S14-J


|
特点:
|
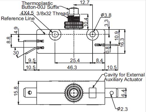
规格: 电气参数 电气等级:25A,125/250VAC;3/4HP,125VAC 1-1/2HP,250VAC 环境温度:105℃(可选150℃或200℃) 可燃性等级:UL94-V0 材料 外壳:酚醛树脂 动作按钮:热塑性尼龙 公共端子:镀银黄铜 常开常闭端子:镀银黄铜 动叶片:镀银黄铜 弹簧:不锈钢 动作辅助配件:冷轧钢板(镀镍) 滚轮:不锈钢 触点:银氧化镉 |
上海:上海市黄浦区北京东路668号科技京城西楼11楼I室
电话:021-53082745 传真:021-53082746 邮件:suns-sh@suns-cn.com
