防水型微动开关 SLD7140-C


|
特点:
|
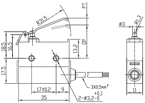
规格: 操作速度: 0.01mm-1m/sec 操作频率: 机械:600ops/min 电气: 60ops/min 绝缘电阻: >100MΩ @ 500V DC 接点电阻: <15MΩ(初值) 额定电流/电压: 5A/10A/15A,1/2HP 250VAC 耐压值: 同级端子间1000VAC 50/60Hz 1分钟 端子对地或对无载金属间2000VAC 50/60Hz 1分钟 寿命: 机械 10,000,000次, 电气500,000次 环境温度: -40 to +85°C不结冰 防护等级: IP67 |
上海:上海市黄浦区北京东路668号科技京城西楼11楼I室
电话:021-53082745 传真:021-53082746 邮件:suns-sh@suns-cn.com
