VC11GG-U 系列微动开关


|
特点:
|
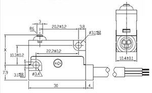
规格: 操作速度:0.01毫米—1米/秒(无触发杆柱塞款) 操作频率:机械:120次/分钟;电气:60次/分钟 寿命: 机械:10000000次;电气:500000次 额定电流/电压:0.1A,3A,5A,10A(导线或线缆款),11A,16A 1/2HP 125/250 VAC 操作温度: -40℃~+85℃ 不结冰 耐压值: 同级端子间 1,000VAC,50/60 Hz 1分钟 端子对地或对无载金属间2,000 VAC,50/60 Hz 1分钟 绝缘电阻: >100MΩ @ 500V DC 接点电阻: <25mΩ (初值) 防护等级: IP40.IP60(密封款) IP67(导线或线缆款) |
上海:上海市黄浦区北京东路668号科技京城西楼11楼I室
电话:021-53082745 传真:021-53082746 邮件:suns-sh@suns-cn.com
