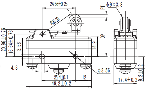
通用型微动开关 Z-20GW22


|
特点:
|
规格: 操作速度: 0.01mm-1m/sec 操作频率: 机械:240ops/min 电气: 20ops/min 绝缘电阻: >100MΩ @ 500V DC 接点电阻: <15mΩ 额定电流/电压: 20A,125/250/480VAC; 1.5HP/125VAC or 2HP/250VAC (UL:E321073) 耐压值: 同级端子间1000VAC 50/60Hz 1分钟 端子对地或对无载金属间2500VAC 50/60Hz 1分钟 寿命: 机械10,000,000次, 电气 500,000次 环境温度: -40 to +80°C (-40 to 176°F) 不结冰 湿度: <35~85%RH 防护等级: 一般型:IP00 防滴型(-55后缀):IP64 |
上海:上海市黄浦区北京东路668号科技京城西楼11楼I室
电话:021-53082745 传真:021-53082746 邮件:suns-sh@suns-cn.com
