两个独立电路控制的微动开关ZD-10GW1


|
特点:
|
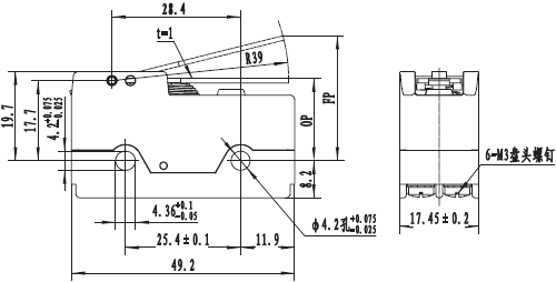
规格: 操作速度: 0.1mm-1m/sec 操作频率: 机械:240ops/min 电气: 20ops/min 绝缘电阻: >100MΩ @ 500V DC 接点电阻: <15Mω(初值) 额定电流/电压: 10A,1/2HP 125/250; 2A 480VAC,0.5A 125VDC,02.5A 250VADC 耐压值: 同级端子间1000VAC 50/60Hz 1分钟 端子对地或对无载金属间1500VAC 50/60Hz 1分钟 寿命: 机械 1,000,000次, 电气500,000次 环境温度: -25 to +80°C (-13 to 176°F) 不结冰 湿度: 35%~85%RH 防护等级: IP00 |
上海:上海市黄浦区北京东路668号科技京城西楼11楼I室
电话:021-53082745 传真:021-53082746 邮件:suns-sh@suns-cn.com
