超小型双断微动开关 ZM42SA1A


|
特点:
|
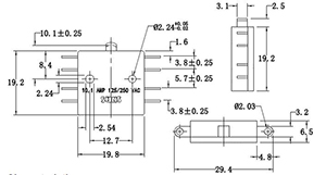
规格: 电气等级: 0.1A(镀金触点),10A 125/250VAC , 28VDC 1/4HP 125VAC 寿命: 机械: 10000000次;电气:200000次 防护等级: IP67(ZM3M) 操作温度: -40-+121℃(-40-+250℉) 耐压值: 同级端子间 1,000VAC,50/60 Hz 1分钟 端子对地或对无载金属间2,000 VAC,50/60 Hz 1分钟 绝缘电阻: >100MΩ @ 500VDC 接点电阻: <25mΩ (初值) |
上海:上海市黄浦区北京东路668号科技京城西楼11楼I室
电话:021-53082745 传真:021-53082746 邮件:suns-sh@suns-cn.com
