-
特点: 双断式开关
开关电流高达10A
高机械寿命可达1千万次
操作温度 -25-+80℃( -13-+176℉)
|
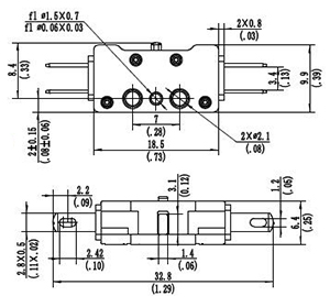
尺寸图:
 |
规格: 操作速度:0.05毫米-2米/秒
操作频率:30次/分
额定电流: 0.1A,5A或10A 125/250VAC
寿命: 机械: 10000000次;电气:10000000次
操作温度: -20~+125℃ 不结冰
耐压值: 同级端子间 1,000VAC,50/60 Hz 1分钟
端子对地或对无载金属间2,500 VAC,50/60 Hz 1分钟
绝缘电阻: >100MΩ @ 500VDC
接点电阻: <25mΩ (初值)
|
商标信息:
所有商标,商号,提及或使用的标志均为我司的产权
-

商标信息:
所有商标,商号,提及或使用的标志均为我司的产权
-
商标信息:
所有商标,商号,提及或使用的标志均为我司的产权
-
商标信息:
所有商标,商号,提及或使用的标志均为我司的产权
|
|