• 总览

    ZT1H 系列耐高温型微动开关
    特点:

    耐高温型微动开关







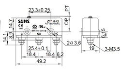
    尺寸图:
    规格:
    操作速度:0.01毫米-1米/秒
    操作频率:机械:60次/分;电气:20次/分
    绝缘电阻: >100MΩ @ 500VDC
    接点电阻: <100mΩ (初值)
    耐压值: 同级端子间 1,000VAC,50/60 Hz 1分钟
    端子对地或对无载金属间1,500 VAC,50/60 Hz 1分钟
    寿命: 机械: 1000000次;电气:50000次
    环境温度: -65~+400℃(-85~752℉)不结冰
    湿度: 35~85%RH
    防护等级: IP00

    商标信息:
    所有商标,商号,提及或使用的标志均为我司的产权
  • 选型指南

  • 产品列表

  • 资料下载