ZY-10GW22 通用型微动开关


|
特点:
|
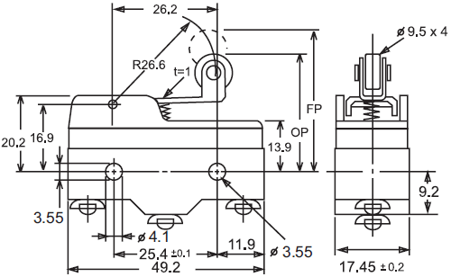
规格: 操作速度: 0.01mm-1m/sec 操作频率: 机械:240ops/min 电气: 20ops/min 绝缘电阻: >100MΩ @ 500V DC 接点电阻: <15mΩ(初值) 额定电流/电压: 10A ,1/2HP 125/250VAC,2A 480VAC; 0.5A 125VDC,0.25A 250VDC 耐压值: 同级端子间1000VAC 50/60Hz 1分钟 端子对地或对无载金属间1500VAC 50/60Hz 1分钟 寿命: 电气 1,000,000次, 机械 500,000次 环境温度: -25 to +105°C (-13 to 221°F) 不结冰 湿度: 35%~85%RH 防护等级: 一般型:IP00 防滴型(-55后缀):IP62 |
上海:上海市黄浦区北京东路668号科技京城西楼11楼I室
电话:021-53082745 传真:021-53082746 邮件:suns-sh@suns-cn.com
