PBM30-VR 电位器开关


|
特点:
|
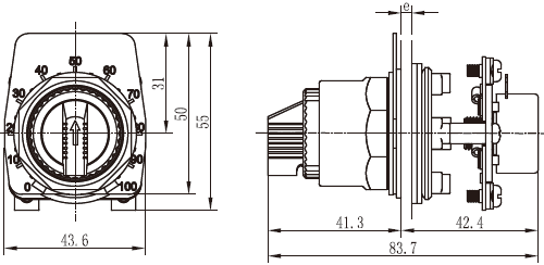
规格: 额定电流 : 10 A 符合 IEC 60947-5-1, NF C 63-140, UL 508, CSA 22-2 No. 14, VDE 0660 part 2, NEMA / UL Type A600-Q600. 额定电压: 500 V 符合 NF C 20-040, VDE 0110, IEC 60158-1, 600 V conforming to UL 508 连接操作: 通过直接打开操作,缓慢接通NO或者缓慢切断NC(符合EN60947-5-1 第三部分). 连接电阻: <25mW (initial value) 操作力: 平头或凸头按钮-1NO连接芯部:10N,1NC连接芯部:8N 其他类型:1NO:14.5N,1NC:11.10N 短接保护: 10A 保险丝,Gl或N 符合IEC60269-1 和VDE0660-200.. 环境温度: 操作: -25°C to +70°C 储存: -40°C to +70°C 抗振动 : 60mm蘑菇头:8g,其他按钮:15g,小型摆杆控制按钮:5g(40-50Hz)符合IEC60068-2-6. 抗撞击 : 按钮:70g,蘑菇头按钮:15g,选择开关:200g.符合IEC60068-2-27. 电击防护 : 等级1,符合IEC60536和NFC 20-030. 保护等级符合IEC60529 : IP40 或 IP65 机械寿命 :按压按钮:3,000,000次 闭锁式蘑菇头按钮:300,000次 带灯选择按钮:100,000次 认证: UL/cUL(E216958):按压式和选择开关 NEMA / UL Type A600-Q600; 直接操作的带灯按钮:250V(最大值); 带电位器的带灯按钮:600V. 符合标准 : UL 508, IEC 60947-5-1, EN60947-5-1, IEC 60337-1, IEC 60337-2, VDE 0660 , CSA C 22-2 |
上海:上海市黄浦区北京东路668号科技京城西楼11楼I室
电话:021-53082745 传真:021-53082746 邮件:suns-sh@suns-cn.com
