电磁锁定安全门开关SSD2191系列


|
特点:
|
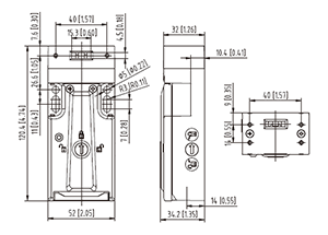
规格: 额定发热电流(Ith) 10 A/600VAC AC15 A300 / DC13 Q300 防护等级: IP65 额定冲击电压 (Uimp) :2500 V 污染等级: 3 额定绝缘电压 :(Ui) 600 V 使用温度范围: -25 °C to 50 °C [-13 °F to 122 °F] 储存温度范围: -40 °C to 85 °C [-40 °F to 185 °F] 短路保护 :Class J fuse (10A/600 Vac) 机械寿命 : 1,000,000 operations 短路电流 :1000 A 电磁铁工作电压和功率r : 24 Vac: +10 %, -15 %, 4 W 110 Vac: +10 %, -15 %, 8 W 230 Vac: +10 %, -15 %, 9 W 24 Vdc: +10 %, -20 %, 7 W 电磁锁定安全门开关 |
上海:上海市黄浦区北京东路668号科技京城西楼11楼I室
电话:021-53082745 传真:021-53082746 邮件:suns-sh@suns-cn.com
