电磁锁定安全门开关SS6291 N 系列


|
特点:
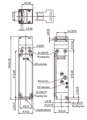
• 电磁铁电压:24VDC • 通电锁定或通电解锁(1300N的锁定力) • 多种触点组合形式可达6组开关 • 头部可转多种方向 • 常闭触点带强制开离功能 • 安全等级:PLe/4 或等价 |
规格: 额定发热电流(Ith) 10 A 防护等级:IP67 NEMA Types 4X 额定冲击电压 (Uimp) :2500 V 污染等级: 3 额定绝缘电压 :(Ui) 600 V 使用温度范围: -25 °C to 50 °C [-13 °F to 122 °F] 储存温度范围: -40 °C to 85 °C [-40 °F to 185 °F] 短路保护 :Class J fuse (10A/600 Vac) 机械寿命 : 1,000,000 operations 短路电流 :1000 A 电磁铁工作电压和功率r : 24 Vac: +10 %, -15 %, 4 W 110 Vac: +10 %, -15 %, 8 W 230 Vac: +10 %, -15 %, 9 W 24 Vdc: +10 %, -20 %, 7 W 电磁锁定安全门开关 |
上海:上海市黄浦区北京东路668号科技京城西楼11楼I室
电话:021-53082745 传真:021-53082746 邮件:suns-sh@suns-cn.com
